本文目录
- 请问,什么叫“新产品导入”?什么叫“新产品导入期”?请举例详细解释和说明?
- 新品上市的广告语有哪些?
- 为研发新产品发生的费用可以资本化吗?
- 美的旋耀xg200和xt200有啥区别?
- 拼多多怎么查看有没有新品标签?
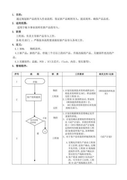
请问,什么叫“新产品导入”?什么叫“新产品导入期”?请举例详细解释和说明?
新产品导入就是一个新的产品进入一个市场,新产品导入期是只新产品在进入市场之后向成长期过渡的一个时期(产品有导入,成长,成熟,衰退4个过程)。导入期要做的事情就是把新产品投向最可能购买的人群,做好宣传广告等,使产品缩短导入期,尽快进入成长期,这个时期的定价方法有撇脂法和法。
比如一款新的机进入市场,它必定会做好它的宣传,产品的定位,如走路线还是民路线等
新品上市的广告语有哪些?
新款上市; 火爆热卖; 来临; 惊喜放价; 促销; 给力大派送; 促销大行动; 特惠价,超实惠; 新货源,大爆料; 优惠活动; 全场火爆促销中; 新品上市,; 横扫新年,买衣送衣; 低价狂潮,无人能比; 热购,“惠”等你来; 亏一天,要么现在选择,要么错失;
为研发新产品发生的费用可以资本化吗?
企业为了开发新技术、新产品、新工艺所发生的研发费用,未形成无形资产计入当期损益的,在按照规定据实扣除的基础上,按照研发费用的50%加计扣除;形成无形资产的,按照无形资产成本的150%摊销(科技型中小企业按75%加计扣除、175%摊销)。
>>
企业的研发费用以是否形成无形资产为标准,划分为费用化和资本化两种方式加计扣除。两种方式准予税前扣除的总额是一样的。
>>
企业需要注意的是,研发费用的核算无论是计入当期损益还是形成无形资产,可加计扣除的研发费用都应属于财税〔2015〕119号文件及97号公告、40号公告规定的范围,同时应符合法律、行政法规和财税部门税前扣除的相关规定,即不得税前扣除的项目也不得加计扣除。对于研发支出形成无形资产的,其摊销年限应符合企业所得税法实施条例规定,除法律法规另有规定或合同约定外,摊销年限不得低于10年。
美的旋耀xg200和xt200有啥区别?
关于这个问题,美的旋耀XG200和XT200的区别如下:
1. 外观设计不同:XG200采用立式设计,XT200采用板式设计。
2. 空气净化效果不同:XG200配备了美的的“双重净化”技术,可以地净化空气,而XT200则基本的空气净化功能。
3. 作方式不同:XG200采用触摸屏作,XT200则是物理按键作。
4. 功能不同:XG200还配备了、风感、睡眠模式等功能,XT200则没有这些功能。
5. 噪音不同:XG200的噪音相对较低,XT200的噪音稍高。
6. 不同:XG200的相对较高,XT200的相对较低。
拼多多怎么查看有没有新品标签?
在拼多多的商品列表页中,您可以通过以下步骤查看是否有“新品”标签:
1. 开拼多多APP,进入首页或者搜索页面。
2. 输入您要搜索的产品关键词,在结果页上滑动直至进入商品列表页。
3. 在商品列表页中,如果该商品是最近上架的新品,则会显示一个“新品”标签。此外,新品标签下面也会显示该商品的发布日期,以及该商品是否是拼多多推荐等信息。



还没有评论,来说两句吧...