本文目录
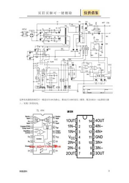
电源充电原理?
蓄电池从外电路接收电能,转化为电池的化能的工作。蓄电池在其经放电消耗后,通过充电恢复,又能重新放电,构成充放。一般用直流电流(也有用不对称交流电流或脉冲电流)充电。
不同情况下,采用不同的充电方法如恒流充电、恒电压充电、浮充电、涓流充电、急充电或这些方法的组合式充电等。
根据电量=电压*电流*时间的公式,在电量固定的情况下,通过增加电压或者增加电流的方式来缩短充电时间。
充电显示lN是什么意思?
充电电源上ln标注就是输入孔。
>ln是英语单词lnput的简写,汉语意思就是输入。而标注out就是输出口,英文全称output。但是不少普通充电宝会有两个输出孔,一般out1是5v1a输出,也就是5w,一般给充电多。out2是5v2a,一般是安卓机基础充电功率。
开关电源与充电器区别?
二者在适用范围上有区别。开关电源是指这个电源使用的原理和工作原理,也就是以这种工作原理取的电源名称。充电器是指这个电源具用途。开关电源(用于AC~DC变换的一类)和充电器本质上是一样的,都是把交流电变换为直流电,开关电源用于充电也可称为充电器,釆用开关式工作的充电器也可称开关电源。但开关电源适用范围大,AC~AC,AC~DC,DC~AC,DC~DC。充电器是它其中AC~DC种。
充电12v是什么意思?
充电12V通常指的是充电器的输出电压为12伏特。
>电压是电路中产生电流的原因,因此,充电的输出电压需要与被充电的设备的电压额定值相匹配,否则可能会导致设备损坏或电池无法充电。
>在一些电源适配器中,可能还会标明输出电流,即充电电流,这通常表示每小时可以充入电池的电量。一般来说,充电电流越大,充电速度就越快,但过大的电流可能会导致电池发热或损坏电池。因此,在选择充电时,需要注意输出电压和输出电流是否与设备的电压额定值和充电电流要求相匹配。
>需要注意的是,不同和型号的设备可能有不同的充电要求和标准,因此在使用充电时,按照设备说明书或相关指南进行作。
电源充电方法?
充电方法:
首先在小台灯外壳侧面开一个直径合适的小孔,然后将DC-022电源插座(亦可以选用其它型号的插座)安装在台灯外壳上,并将台灯内部电池的正极在电源插座的①,这样在未接入外接直流电源时,电源插座的①和②是连接的,台灯可以使用内置电池供电。
>当外接直流电源的入插座时,插座的①和②自动断开,此时台灯由外接直流电源供电,拔出插又可以恢复为内置电池供电。



还没有评论,来说两句吧...